Máy bơm lọc nước bể bơi Kripsol 7.5HP KAN 760T2B
Hãng : Kripsol Model : 83035
Mã barcode :
Còn hàng
Bảo hành: chính hãng | Chính sách bảo hành
Liên hệ
Giá KM : 0₫
Tiết kiệm : 0 đ
Công ty cổ phần bể bơi thông minh Spool cam kết :
Tất cả các sản phẩm của công ty đều được đảm bảo

hãng

quốc

Thông tin sản phẩm
Bơm nước KAN 760T2.B
1. Cấu tạo bơm
- Bơm nước bơm bể bơi KAN 760T2.B là bơm nước ly tâm tự động đồng trục với động cơ chuyên dụng cho bể bơi thi đấu, hồ bơi thương mại.

- Cấu tạo vỏ bơm bằng nhựa Noryl; Cánh bơm được cấu tạo bởi sợi thủy tinh gia cố nhựa noryl bền vững.
- Giỏ lọc màu trắng chất liệu nhựa cao cấp.
- Bộ lọc công suất cao (14 lít), bằng nhựa thermoplastic. Bộ tiền lọc có nắp trong suốt bằng polycarbonate.
- Bản lề nắp đóng được gia cố thêm 4 vít tán bằng thép không gỉ, chống chịu tốt sự ăn mòn khi tiếp xúc với nước lâu năm.
- Vỏ, nắp và chi tiết ghim của bơm đều được thiết kế để đạt mức áp lực làm việc 3kg/cm2
- Động cơ IP 55 protection; lớp cách nhiệt F; 50hz; 2.850 r.p.m
- Áp lực nước tối đa: 3 bar; nhiệt độ 50 độ C
- Phù hợp với mọi loại bể kể cả bể bơi sử dụng nước mặn.
- Hiệu suất thủy lực cao vượt trội.
2. Thông số kỹ thuật

THÔNG SỐ |
ĐƠN VỊ |
CHỈ SỐ |
Công suất đầu ra P2 |
HP |
7.5 |
Công suất đầu vào P1 |
kW |
7 |
Mạng điện |
Pha |
3 |
Quy cách đóng gói |
mm |
935*377*600 |
Head |
m |
12 |
Lưu lượng |
m3/h |
112 |
Trọng lượng |
kg |
52 |
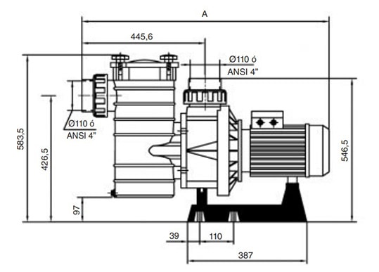
Bạn có thể xem thông số mặt ngang của bơm ở hình vẽ sau:

Xem thêm:
- 6 bước lựa chọn đầy đủ các thiết bị lọc nước bể bơi tuần hoàn phù hợp nhất